Plastlåda ABS Tät mörkgrå
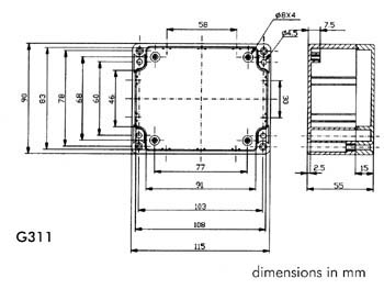
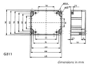
115 x 90 x 55 mm, G311 . Designad för att uppfylla IP65 av IEC529 och NEMA4 (damm- och slangprov).
Watch this product and we will notify you once it is back in stock.
Plastlåda ABS Tät mörkgrå
Dessa höljen består av högeffektivt ABS (driftstemperatur: -20 ° C till + 100 ° C).
Locket och basen är utrustade med ett tung- och spårförseglingssystem med en neoprenpackning.
Monteringshålen och lockskruvarna är placerade utanför det förseglade området, vilket förhindrar att fukt och damm tränger in i inneslutningen.
Interna styrslitsar möjliggör vertikal montering av PCB-enheter.
Designad för att uppfylla IP65 av IEC529 och NEMA4 (damm- och slangprov).
Bossarna på den inre basen möjliggör horisontell fastsättning av PCB eller anslutning av plintar etc. med gängade mässingsinsatser.

Specifikationer
Material: ABS
Dimensioner: 115 x 90 x 55 mm
Färg: mörkgrå
