Temperaturgivare
-40° C till + 100° C  LM335Z
    Watch this product and we will notify you once it is back in stock.
Temperaturgivare
                -40° C till + 100° C  LM335Z            
        
Specifikationer
Temperaturområde: -40 ° C till + 100 ° C
Impedans (vid 25 ° C / 1mA): -
Utgångsström: 10 mA
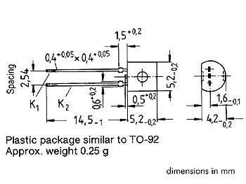
Paket: TO92
Nominell temperatur: + 25 ° C

 
                                
                            